О нас
Новости
Сотрудничество
Мероприятия
Где купить?
Контакты
8 (800) ***-**-**
Каталог
Вход
Корзина
Подбор оборудования
Комплекты
Прайс
Готовые объекты
Схемы отопления
Типовые узлы
Конструктор изделий
Помощь
Главная
Каталог продукции
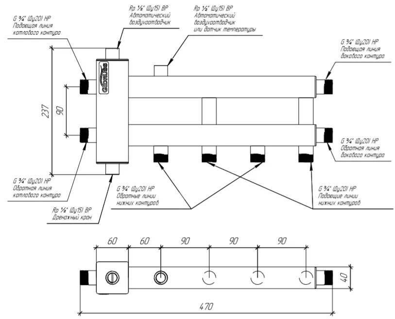
BM-40-3D
BM-40-3D
до 40 кВт, все контуры G ¾″, 4D-кронштейны K.UMS
Основные характеристики
Уточнить условия заказа
Продукция из этой же серии
Основные характеристики