Комплекты оборудования в виде готовых спецификаций узлов и шаблонов для их составления
Для составления спецификаций, закупки и монтажа оборудования.
34
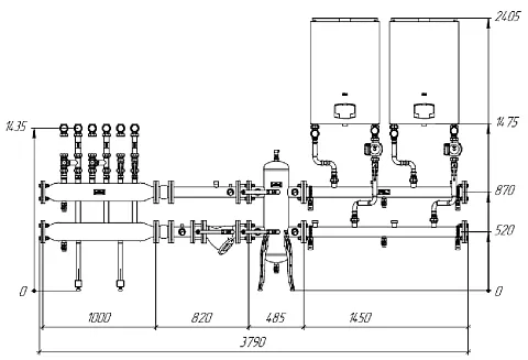
TU-DN32-MK-00 - Шаблон для составления спецификации обвязки коллектора отопления до 100 кВт DN32 на 2/3/4/5 контура с латунными насосными группами DN25
Количество
бойлеров
Количество
подключений
Мощность
до 60/80







