
Комплект из двух кронштейнов K.UF
Прочее оборудование
для профиля 60х60, цвет черный муар металликАртикул:MS UF06B 22
Основные характеристики
Материал исполнения:Конструкционная сталь
Логистические параметры
Масса брутто, кг:0,7
Размеры упаковки, (Д x Ш х В), мм:175 x 165 x 60
Объем упаковки, м³:0.00173
1 900 ₽ Розничная цена
В наличии город Челябинск:
3 шт
Усовершенствованная модель - Универсальная монтажная система K.UMS.DN25-125 (межосевое 125 мм, вылет от стены 75-105 мм, цвет черный муар)
Описание
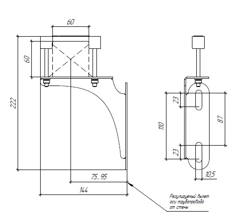
Кронштейн K.UF предназначен для крепления коллекторов DM, BMK, BM, MK. В к-те поставки 2 кронштейна, для крепления тяжелых балансировочных коллекторов BM-150, BM-250, BMSS-150, понадобятся 2 комплекта.
Все характеристики
Основные характеристики
Материал исполнения:
Конструкционная сталь
Межосевое расстояние, мм:
Любое
Логистические параметры
Размеры упаковки, (Д x Ш х В), мм:
60 x 175 x 165
Объем упаковки, м³:
0.00173
Масса брутто, кг:
0,6
Длина, мм:
175
Ширина, мм:
165
Высота, мм:
60
Все преимущества

Удобные кронштейны с регулировкой вылета и горизонтального положения упростят монтаж!
Удобные и надежные кронштейны с регулировкой:
Подробнее - Горизонтального положения;
- Вылета от стены;
- Смещения по высоте;
- Задание проектного уклона.
Документация
Скачать всю документацию








