
Артикул:MS 25A00 01
K.UMSSS.DN25-125 нерж.
Основные характеристики
Материал исполнения:Нержавеющая сталь AISI 304
Снято с производства
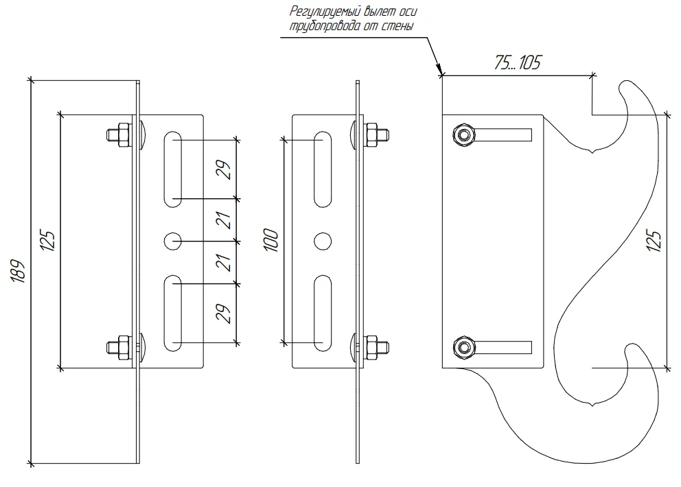
Усовершенствованная модель - Универсальная монтажная система K.UMS.DN25-125 (межосевое 125 мм, вылет от стены 75-105 мм, цвет черный муар)
Все характеристики
Основные характеристики
Материал исполнения:
Нержавеющая сталь AISI 304
Межосевое расстояние, мм:
125
Вылет от стены, мм:
75-105










