
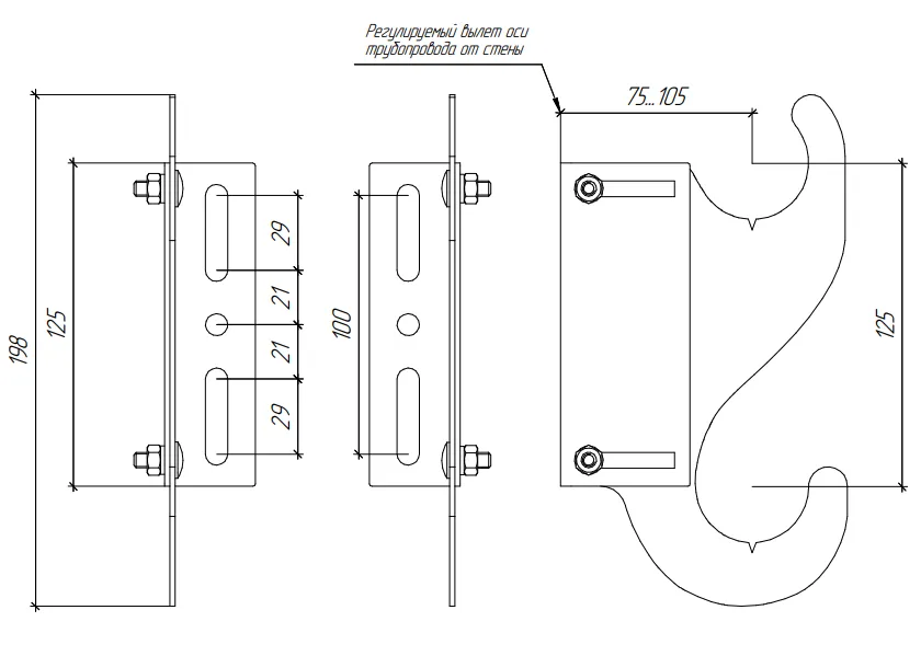
Универсальный монтажный комплект K.UMSSS.DN32-125
нержавеющая стальАртикул:MS 321A1 01
Основные характеристики
Материал исполнения:Нержавеющая сталь AISI 304
Усовершенствованная модель - Универсальная монтажная система K.UMS.DN32-125 (межосевое 125 мм, вылет от стены 75-105 мм, цвет черный муар)
Все характеристики
Основные характеристики
Материал исполнения:
Нержавеющая сталь AISI 304
Межосевое расстояние, мм:
125
Вылет от стены, мм:
75-105
Все преимущества

Монтажная система с регулировкой положения повысит надежность, снизив кол-во трубных соединений (в комплекте поставки)
- Регулировка вылета оси трубопроводов от стены для исключении лишних соединений подводки.
- Выравнивание изделия вертикально в боковой плоскости даже на неровной стене.
- Точное вертикальное позиционирование по размеченной оси трубопровода на стене даже при смещении бура в пустотелом кирпиче.
- Выставление изделия в горизонте или по проектному уклону.










