
MK-60-3DU
до 60 кВт, магистраль G 1″, 3 контура G 1″ звездочкой, кронштейны K.UF, цвет ″серебро на белом″Артикул:1K 00600 17
Основные характеристики
Материал исполнения:Конструкционная сталь
Количество контуров:
3
Магистральное присоединение:G 1″ (НР)
Мощность максимальная, кВт:
60
Максимальная подача, м³/ч:
2.6
Описание
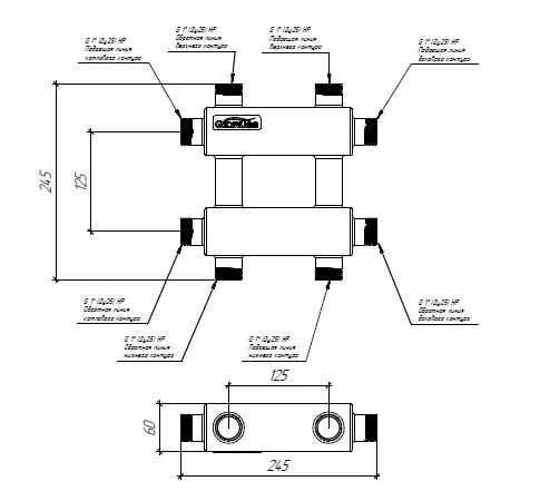
Модульный коллектор Gidruss MK-60-3DU предназначен для распределения теплоносителя по контурам или его сбора в каскад для вывода на гидравлический разделитель, где подающая и обратная линия каждого контура расположены параллельно друг с другом на расстоянии 125 мм. Присодениенительный размер контуров G 1″.
Все характеристики
Основные характеристики
Материал исполнения:
Конструкционная сталь
Количество контуров:
3
Максимальная подача, м³/ч:
2.6
Мощность максимальная, кВт:
60
Максимальная отапливаемая площадь, м²:
500
Магистральное присоединение:
G 1″ (НР)
Межосевое расстояние, мм:
125
Вылет от стены, мм:
75-95
Масса брутто, кг:
1,1
Длина, мм:
520
Все преимущества

Удобные кронштейны с регулировкой вылета и горизонтального положения упростят монтаж!
Удобные и надежные кронштейны с регулировкой:
Подробнее - Горизонтального положения;
- Вылета от стены;
- Смещения по высоте;
- Задание проектного уклона.

Конструкционная сталь 09Г2С это стабильность изделия при колебаниях температуры + 7 лет гарантии!!
- Широкий температурный диапазон применения от -70 до 475˚С с сохранением характеристик прочности, пластичности и химостойкости
- Высокая коррозионная стойкость стали 09Г2С по сравнению с обычно сталью 3 (дешевая профильная труба) и сталью 20 (шовная ВГП-труба) существенно продлит срок службы изделий.
- Низкий показатель отпускной хрупкости позволит получить после сварки абсолютно однородное изделие, более устойчивое к рабочим и аварийным колебаниям температуры и давления
- Содержание марганца и кремния в 09Г2С способствуют удалению кислорода из металла
P.S. Как отличить изделие из 09Г2С от обычных разнородных металлов ст. 3 и ст. 20?
- По наличию шва на внутренней стороне резьбового патрубка: если виден или прощупывается шов значит перед Вами некачественное изделие.
- Повышенная толщина корпуса в 3 мм и больший радиус изгиба профиля т.к. 09Г2С гнется сложнее чем Ст.20 или Ст.3, т.е. если перед Вами изделие с острой кромкой изгиба профильной трубы это не 09Г2С.
- Сравнение с продукцией GIDRUSS сходной модели на вес - если изделие конкурента намного легче, это значит, что толщина стенки профильной трубы менее 2 мм и оно точно не из 09Г2С!

Котловое подключение G 1″ снизит затраты на фитинги и запорную арматуру!
Подключение G 1″ позволяет сэкономить существенную сумму на обвязке котлового контура .
У конкурентов обычно используется подключение "с запасом" - G 1¼″ и теперь если пересчитать все элементы обвязки (краны, фитинги, обратные клапаны, труба).
Подробнее 
Любое пространственное положение сэкономит место в котельной!
- Изделия GIDRUSS абсолютно симметричны и соосны,
- Котел можно располагать слева и справа
- Можно разворачивать изделие по горизонтальной оси для изменеия направления подводки (продукция с окончанием на "-D") и порядок подачи и обратки потребителей (продукция с окончанием на "-DU").
Документация
Применение в схемах
Применение в узлах
Наличие у дилеров 1
Организовать поставку через другого дилера

Будни с 9:00 до 19:00, СБ-ВС с 09:00 до 18:00
Первая закупка
РК, Карагандинская обл., г. Темиртау, пр. Мира 71/1
Позвонить в офис
+7 (***) ***-**-**
Наличие: 2 шт.













